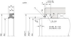
Temperaturbereich
-35°C bis + 100°C bei PUR Hydraulik-Anwendung
-35°C bis + 80°C bei PUR Pneumatik-Anwendung
Andere Werkstoffe siehe unten
Verlängert die Lebensdauer von Dichtungen
Ein Abstreifer schützt die dahinter liegenden Dichtungen vor Fremdpartikeln

Gleitgeschwindigkeit
≤ 2 m/s
Einfache Montage
Durch einklappen lässt sich dieser Abstreifer in der Regel auch ohne Werkzeuge einbauen
Montage des Abstreifers
Der Abstreifer lässt sich ab gewissen Größen ohne Werkzeug durch Einschnappen montieren. Bei kleineren oder mittleren Durchmessern können Montagezangen verwendet werden. Eine Erwärmung des Abstreifers mach diesen etwas weicher und geschmeidiger, sodass eine Montage leichter fällt. Je nachdem wie viele Dichtelemente vorhanden sind und wie Tief diese in der Bohrung sind, kann es notwendig sein eine konische Montagehilfe zu verwenden.
Weitere Werkstoffe auf Anfrage
- TPU - 20°C bis 100°C
- PTFE -190°C bis 230°C
- EPDM -40°C bis 150°C
- FKM/FPM. -20°C bis +200°C

Medienbeständigkeit
PUR Werkstoffe haben eine gute Beständigkeit gegenüber mineralischen Medien, wie z.B. Hydrauliköl
Weitere Medien finden Sie in unserer Liste
Zusammenfassung
Der Klassiker unter den Hydraulik- / Pneumatikabstreifern.
- gute Verfügbarkeit
- verschiedene Werkstoffe möglich
- gutes Preis-Leistungsverhältnis

Weitere Abstreiferprofile
Warum bei HP-Dichtungen bestellen

Weltweiter Versand
Weltweiter Versand mit einer großen Auswahl an Dienstleistern

Hersteller und Händler
Das Beste aus beiden Welten! Günstige Premium Standardware aus der Großproduktion und kundenspezifische Bauteile aus eigner Fertigung.

Geld-Zurück-Garantie für Standarddichtungen
Sie haben versehentlich eine lagernde Standarddichtung falsch bestellt. Wir tauschen diese selbstverständlich um!

schneller technischer Support
Unser technisches Support Team ist für Sie da, wenn Sie Fragen Rund um das Produkt haben


