Temperaturbereich
-35°C bis + 80°C bei PUR Pneumatik
Andere Werkstoffe siehe unten
Für Pneumatische-Anwendung
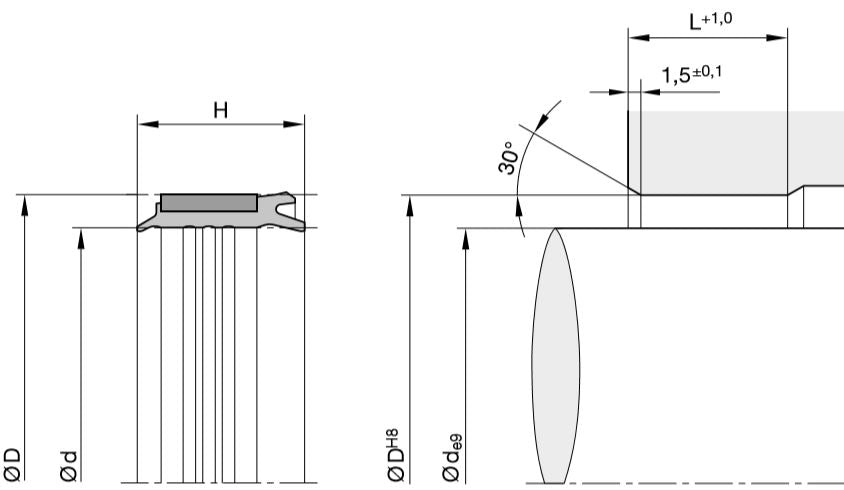
Stangendicht-, abstreif und Führungselement sitzt in zylindrischer Bohrung und dichtet, streift ab und führt zuverlässig sich bewegende Stangen / Kolben.

Gleitgeschwindigkeit
≤ 1 m/s bei Pneumatik
Einfache Montage in offenem Einbauraum
Durch einpressen lässt sich diese Dichtung in der Regel auch ohne Werkzeuge einbauen.
Typische Drücke des Stangendicht-, Abstreif- und Führungselementes
Pneumatik: ≤ 16 bar NBR
Montage des Stangendicht-, Abstreif- und Führungselementes
Das Stangendicht-, Abstreif- und Führungselementes lässt sich durch Einpressen montieren. Die Haltefunktion bzw. Fixierung wird über einen Presssitz zwischen Gehäuse und Aluminium-Haltering erreicht.
Weitere Werkstoffe auf Anfrage
- TPU - 20°C bis 100°C
- PTFE -190°C bis 230°C
- EPDM -40°C bis 150°C
- FKM/FPM. -20°C bis +200°C

Medienbeständigkeit
PUR Werkstoffe haben eine sehr gute Beständigkeit gegenüber Druckluft, sowohl geölt ais auch ölfrei (nach Montagefettung)
Weitere Medien finden Sie in unserer Liste
Zusammenfassung
Der Außergewöhnliche für Mehrfachaufgaben unter den Stangendichtungen.
- gute Verfügbarkeit
- gutes Preis-Leistungsverhältnis
- bewältigt Dichten, Abstreifen und Führen in Einem (wirtschaftliche
Lagerung)
- geringe Reibung
- einfache Herstellung des Bauraumes
- geringe radiale Einbautiefe

Weitere Abstreiferprofile
Warum bei HP-Dichtungen bestellen

Weltweiter Versand
Weltweiter Versand mit einer großen Auswahl an Dienstleistern

Hersteller und Händler
Das Beste aus beiden Welten! Günstige Premium Standardware aus der Großproduktion und kundenspezifische Bauteile aus eigner Fertigung.

Geld-Zurück-Garantie für Standarddichtungen
Sie haben versehentlich eine lagernde Standarddichtung falsch bestellt. Wir tauschen diese selbstverständlich um!

schneller technischer Support
Unser technisches Support Team ist für Sie da, wenn Sie Fragen Rund um das Produkt haben


