Temperaturbereich
-100°C bis + 200°C bei PTFE+Bronze
Andere Werkstoffe siehe unten
Für Hydraulische-Anwendung
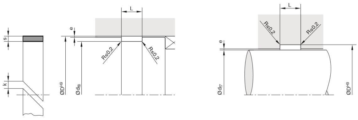
Führungselemente verhindern die Berührung zwischen Stangen/Kolben und Zylindern.

Gleitgeschwindigkeit
≤ 5 m/s bei Pneumatik
Einfache Montage in geschlossene Einbauräume
Durch einlegen lässt sich das Führungsband ohne Werkzeuge einbauen.
Typische Belastungen
Weitere Details siehe unter Datenblatt
Montage des Führungsbandes
Das Führungsband lässt sich durchmesserunabhängig durch einlegen ohne Werkzeuge einbauen. Eine Erwärmung machen es etwas weicher und geschmeidiger, sodass gegebenenfalls eine Montage noch leichter fällt.
Weitere Werkstoffe auf Anfrage
- TPU - 20°C bis 100°C
- PTFE -190°C bis 230°C
- EPDM -40°C bis 150°C
- FKM/FPM. -20°C bis +200°C

Medienbeständigkeit
PTFE Werkstoffe haben eine sehr weitreichende Medien- und Temperaturbeständigkeit .
Weitere Medien finden Sie in unserer Liste
Zusammenfassung
Ein Klassiker unter den Führungselementen.
- gute Verfügbarkeit
- gutes Preis-Leistungsverhältnis
- hohe Tragfähigkeit
- niedriger Verschleiß bei geringer Reibung
- für alle Nenndurchmesser
- lieferbar in Meterware
- sehr gute Notlaufeigenschaften

Weitere Führungselemente
Warum bei HP-Dichtungen bestellen

Weltweiter Versand
Weltweiter Versand mit einer großen Auswahl an Dienstleistern

Hersteller und Händler
Das Beste aus beiden Welten! Günstige Premium Standardware aus der Großproduktion und kundenspezifische Bauteile aus eigner Fertigung.

Geld-Zurück-Garantie für Standarddichtungen
Sie haben versehentlich eine lagernde Standarddichtung falsch bestellt. Wir tauschen diese selbstverständlich um!

schneller technischer Support
Unser technisches Support Team ist für Sie da, wenn Sie Fragen Rund um das Produkt haben


